Array ( [cat_id] => 34 [cat_name] => 电能质量治理 [unique_id] => diannengzhiliang [parent_id] => 0 [url] => http://www./product/diannengzhiliang )
ZHXK-2000Z系列低压智能电容控制器,主要应用于0.4KV低压电力系统中,主要由单片机、信号采集模块、存储通信模块、开关控制模块、人机界面、和电源模块等组成,经过数据采集、信息处理后,通过信号指令对补偿设备投切开关进行自动化控制,来满足系统对无功功率的实际需求,来实现提高功率因数,提高电力变压器的利用效率,降低线损,改善电压质量的作用。产品广泛应用于工厂配电系统、居民小区配电系统、市政商业建筑、交通隧道配电系统、户外箱式变电站、户外综合配电箱等领域。
性能特点
测量准确:以基波无功功率计算投切电容器容量,可避免多种形式的投切震荡,并在有谐波的场合下能正确显示电网功率因数,功率因数测量精度高,显示范围宽。
可靠性高:具有掉电保护功能,控制参数停电不丢失;具有过电压、欠电压、畸变率超标、过温保护;具有谐波测量及保护功能。可以安全、可靠地在强磁场环境中运行。
多种显示:可实时显示电网功率因数、电压、电流、有功功率、无功功率、电压总谐波畸变率电流总谐波畸变率、频率的平均值及电容投切状态等信息;
使用方便:快捷功能键盘,大屏幕LCD显示屏,中文操作,人机界面,各种控制参数全数字可调直观使用方便;并具有自动运行与手动运行2种工作方式;
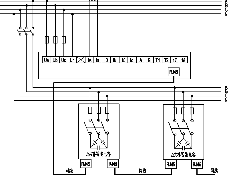
通讯组网能力强:具有RS-485,MODBUS标准现场总线通讯接口,可以通过有线、无线等传输方式接入云平台、配电集中控制室等监控系统。
方案原理
设计依据
GB/T15576-1995 《低压无功功率静态补偿装置总技术条件》
JB/T9663-1999 《低压无功功率自动补偿控制器》
DL/T 597-2017 《低压无功补偿控制器使用技术条件》
技术参数
|
显示屏 |
中文液晶 |
|
电源电压 |
AC220V/AC380V |
|
额定频率 |
50Hz |
|
取样电压 |
AC220V/AC380V |
|
取样电流 |
0~5A |
|
控制方式 |
RJ45网口输出 |
|
电流变比 |
10~2500 |
|
过压保护 |
300~480V |
|
欠压保护 |
280V~380V |
|
谐波电压保护 |
0%~100% |
|
功率因数 |
0.85~1.00 |
|
电容投入延时 |
1~600S |
|
电容切除延时 |
1~600S |
|
电容放电延时 |
1~600S |
|
通讯 |
RS485,MODBUS协议;波特率2400/4800/9600/19200bpS |
|
三相补偿电容器组数设置 |
0~64 |
|
电容器组数分配 |
三相组数≤64组 |
|
电容预置 |
0~99.9kvar |
|
投切方式 |
手动/自动 |
|
电压 |
±0.5% |
|
电流 |
±0.5% |
|
功率因数 |
±1.0% |
|
有功功率 |
±1.0% |
|
无功功率 |
±1.0% |
|
频率 |
±0.1Hz |
应用环境
本产品工作场所海拔不超过2000米,环境温度-40℃~+45℃,相对湿度:日平均不大于95%,月平均不大于90%。
本产品运行场所应具备无有害气体、可燃气体、蒸汽等污染,无导电性或者爆炸性尘埃,运行场所应无经常性的剧烈机械振动。
本产品户内使用运行,如果在特殊情况下户外使用,需加装保护壳,并参考相关标准保证保护壳的防护等级。
本产品避免长期在潮湿环境中放置,如受潮或者凝露,为避免短路,切忌第一时间通电试验,需在专业工程师指导下采取正确方法措施后进行故障排除。
型号定义
外观结构
选型参考
|
型号 |
描述 |
控制方式 |
外形尺寸(W*H) |
嵌入厚度(D) |
安装尺寸(W*H) |
采样 |
备注 |
|
ZHXK-2000/64Z |
64路控制器,智能电容器应用 |
RJ45网口输出 |
144*144 |
54 |
138*138 |
三相电压一相电流 |
|
订货须知
电力系统图;
装机容量,控制回路数量;
控制组合(单柜/主辅柜)
投切开关类别;
采样极相(电压/电流)
面板开孔尺寸;安装方式;
负载性质;
特殊要求注明;