Array ( [cat_id] => 34 [cat_name] => 电能质量治理 [unique_id] => diannengzhiliang [parent_id] => 0 [url] => http://www./product/diannengzhiliang ) 谐波保护器-yl9193永利官网
电能质量治理 电力能源管理 智能配电设备 机电传动自控 智慧数字电力 品牌战略授权
谐波保护器

产品概述

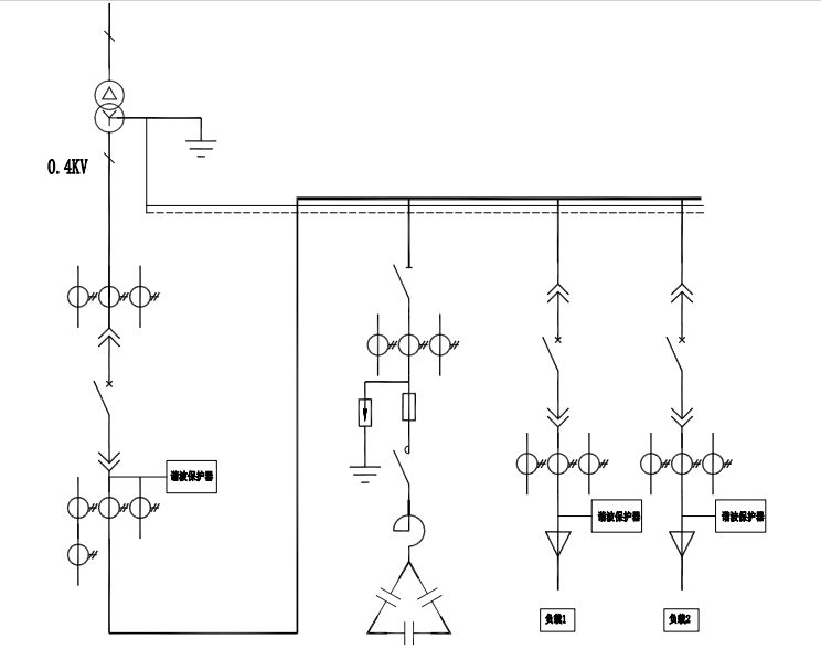
ZHXK-AHP1000谐波保护器应用于0.4KV电力系统中,采用了超微品合金材料与创新科技的特别电路,针对用户侧高次谐波(2KHZ-10MHz)的污染,为用电设备提供谐波保护,改善越来越悬务的电能质量的设备。通过该谐波保护器能够净化电源、保护用电设备和功率因数补偿设备、防止保护装置的误跳闸,从而保护设备安全、高效地运行。广泛应用于:PLC、DCS、计算机电子设备;功率因数补偿设备;数字通讯设备等领域。

性能特点

运行稳定:采用超微品体合金材料与创新科技的特别电路,对高次谐波、高频噪声、脉冲尖峰、电涌等干扰有抑制和吸收作用。

随时跟踪电压、电流波形,矫正因谐波影响而产生畸变的电压、电流波形1减少了用电设备的故障率和机器误操作,全面克服了由于谐波污染引起的高频干扰。

实时监控:具备测量和显示三相电压总谐波含量以及有效值的功能,当谐波含量超过一定值时,会发出闪烁和蜂鸣报警;

结构合理:无需独立电源,结构小巧,导轨安装接线简单,安装调试方便;

方案原理

设计依据

GB/T 14549-2012《电能质量公用电网谐波》
GB/T19862-2005《电能质量监测设备通用要求》
GB/T18481-2001《电能质量暂时过电压和瞬态过电压》

技术参数

 

额定电压

额定电压:110V 690V士20%

最大脉冲电流值

14000A

钳位电流值

对于2500V的畸变电压,可限制1000V以下

抗浪涌电流

对于2500V的畸变电压,畸变电流不超过1200A

电路链接方式

三相星型,三相三角形

绝缘电阻

>100MΩ

耐压/接触点容量

导电部分与外壳间承受2000VAC,时间0.1秒,无击穿和闪络现象/120A

保护频率

350HZ~20MHZ

泄露电流

1.428nA

震荡波抗扰度

IEC60225-22-1

静电放电抗扰度

IEC60225-22-2

射频电磁辐射抗扰度

IEC60225-22-3

电快速畸变脉冲群抗扰度

IEC60225-22-4

功耗

小于0.5W

发热

小于25℃(外部环境20℃)

端子/外壳

耐高温1000℃

标准监控

每相均有状态指示灯

防护等级

IP40

使用寿命

>10年

维护方式

免维护

应用环境

本产品工作场所海拔不超过2000米,环境温度-35℃ ~ +75℃,相对湿度:日平均不大于95%,月平均不大于90%。

本产品运行场所应具备无有害气体、可燃气体、蒸汽等污染,无导电性或者爆炸性尘埃,运行场所应无经常性的剧烈机械振动。

本产品户内使用运行,如果在特殊情况下户外使用,需加装保护壳,并参考相关标准保证保护壳的防护等级。

本产品避免长期在潮湿环境中放置,如受潮或者凝露,为避免短路,切忌第一时间通电试验,需在专业工程师指导下采取正确方法措施后进行故障排除。


型号含义

外观结构

选型参考

型号规格

电压(V)

外形尺寸

安装方式

ZHXK-AHP1000-1

220

110*120*70

导轨安装

ZHXK-AHP1000-3

400

145*120*70

导轨安装

订货须知

电力系统图;

系统电压等级;

匹配治理设备参数;

极相(单相/三相);

系统运行参数(效果最佳)

负载性质;

特殊要求注明;

©2024 版权所有 yl9193永利官网